適用范圍
> 廣泛用于石油開采、煉油、化工、制藥、軍工等危險環境及海洋石油平臺、油輪等場所;
> 適用于爆炸性氣體環境1區、2區場所。> 適用于ⅡA、ⅡB、ⅡC類爆炸性氣體環境。
> 適用于可燃性粉塵環境21區、22區場所;
> 適用于T1-T6組溫度組別。
型號含義

主要技術參數
| 額定電壓 | AC220V/380V | 防爆標志 | Ex d e ⅡC T6 Gb |
| 額定電流 | 10A | 防護等級 | IP65 |
| 外殼材質 | 玻璃纖維增強不飽和聚酯樹脂 | 防腐等級 | WF2 |
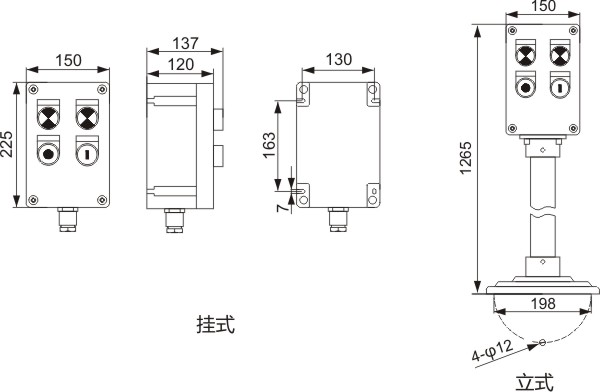
| 安裝方式 | 掛式、立式 | 使用類別 | AC-15、DC-13 |
| 內裝原件 | 防爆按鈕、 防爆電表、 防爆帶燈按鈕、 防爆指示燈、 防爆開關 | ||
| 執行標準 | GB3836.1、 GB3836.2、 GB3836.3 | ||
產品特點
* 外殼采用玻璃纖維增強不飽和聚酯樹脂塑料制成,主要抗老化、抗靜電、耐沖擊、耐腐蝕極熱穩定性好等優點,產品更加環保;
* 掛式安裝時設有防震機構,震動場所提高可靠性;
* 密封橡膠采用線澆發泡先進工藝,連續無接口,粘結牢靠,密封性好;
* 可配金屬材質手柄,適用于低溫環境;
* 外觀各功能區模塊化設計,互換性強;
* 面板上各元件結構滿足IP65高防護性能要求;
* 體蓋結合為迷宮式結構,防水防塵能力好;
* 萬能控制開關、多種電氣功能任選。
外形安裝尺寸舉例
服務熱線:0577-61756669

pdf文件下載: